Main control chip: MT7628AN+MT7612EN
Specifications: 2T2R
Speed: 300+866M
Interface: USB, WAN, LAN, I2S, I2C/PCM, UART, GPIO
Size: 79.5*53mm(L*W)
Working voltage: 5V
Wireless standard: 802.11b/g/n/ac
Band width: 2.4G/5.8G
Working temperature: -20°C to +85°C
Features
■ The module is based on Taiwan’s MTK’s MT7628AN+MT7612EN main chip solution, the main frequency is up to 580MHz, and it is equipped with 128MB DDR2 RAM and 16MB SPI FLASH
■ Conforms to IEEE802.11b/g/n wireless network protocol, supports three working modes of bridging, routing, and access point
■ Adopt 2x2 MIMO (Multiple input multiple output) architecture, wireless signal multiplex transmission and reception, transmission rate up to 1200Mbps
■ Achieve a variety of communication transmission, input and output control, intelligent control of IOT applications, convenient for debugging and product development
■ Multiple GPIOs, 1 UART interface, 1WAN, 3LAN wired network port “stamp hole” and “pin” dual design external connection method four IPEX sockets, freely configurable antenna type
■ Application areas: smart home, wireless storage, WIFI speakers, network cameras, baby monitoring, routers, repeaters, wireless APs
Module size chart

Module pin


M1
| PIN foot | Name | Remark 1 | Remark 2 | Remark 3 | GPI0 mode |
| 1 | I12S_SDI | PCMDRX | GPI00 | ||
| 2 | GPI00 | ||||
| 3 | I2S_Do | PCMDTX | |||
| 4 | I2C_DO | GPI05 | |||
| 5 | I2S_WS | PCMCLK | GPI02 | ||
| 6 | I2C_CLK | GPI04 | |||
| 8 | I2S_CLK | PCMFS | GP103 | ||
| 9 | RXIPO | GPI024 | |||
| 10 | RXINO | GPI023 | |||
| 11 | TXOPO | GPI022 | |||
| 12 | TXONO | GPI021 | |||
| 13 | RXIP2 | EMMC-D7 | PWM-CHO | GPI018 | |
| 14 | RXIN2 | EMAMC-D6 | PMM-CH1 | GPI019 | |
| 15 | TXOP2 | UART一TXD2 | EMMC-D5 | PWM-CH2 | GPI020 |
| 16 | TXON2 | UART一RXD2一RXD2 | EMMC-D4 | PWM-CH3 | GPI021 |
| 17 | TXOP3 | SD-WP | EMMC-WP | GPI022 | |
| 18 | TXON3 | SD-CD | EMMC-CD | GPI023 | |
| 19 | RXIP3 | SD-D1 | EMMC-D1 | GPI024 | |
| 20 | RXIN3 | SD-Do | EMMC-DO | GPI025 | |
| 21 | RXIP4 | SD-CLK | EMMC-CLK | GPI026 | |
| 22 | RXIN4 | SD-CMD | EMMC-CMD | GPI028 | |
| 23 | TXOP4 | SD-D3 | EMMC-D3 | GPI029 | |
| 24 | TXON4 | SD-D2 | EMMC-D2 | GPI027 | |
| 7/25/26 | GND | ||||
| 27 | USB_D- | ||||
| 28 | USB_D+ |
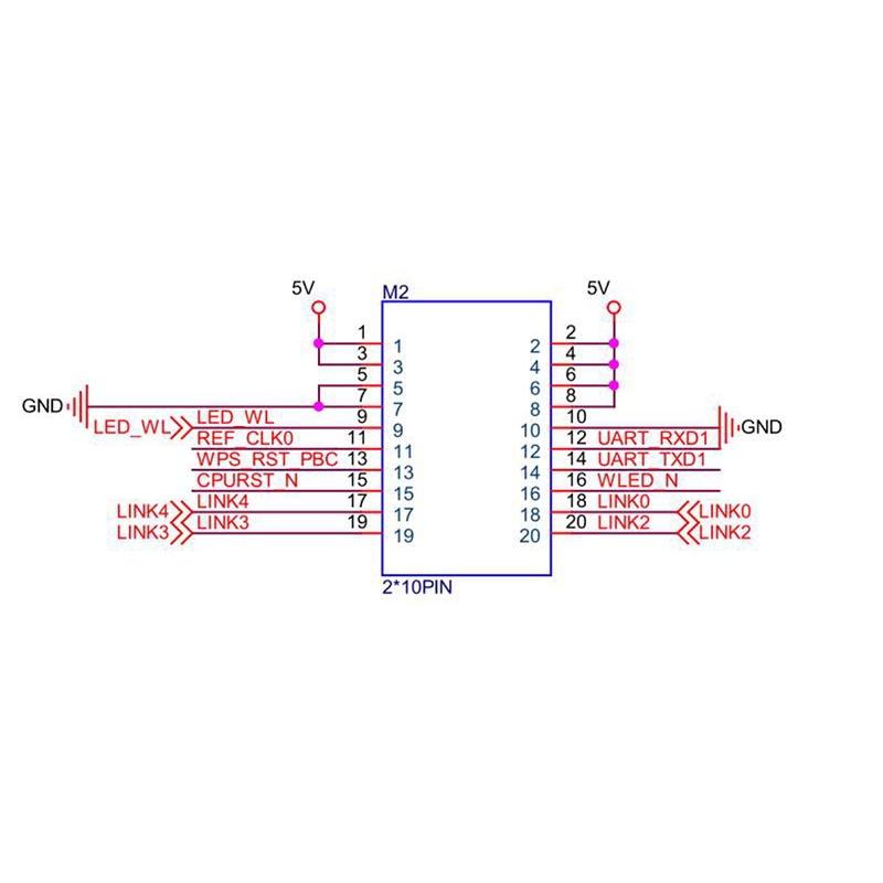
M2
| PIN foot | Name | Remark 1 | Remark 2 | Remark 3 | GPI0 mode |
| 1/2/3/4/6/8 | VCC | ||||
| 5/7/10 | GND | ||||
| 9 | LED_WL | 5G indicator light | |||
| 11 | REF_CLKO | REF_CLKO | GPI037 | ||
| 12 | UART_RXD1 | PWM-CH1 | GPI046 | ||
| 13 | WTD_RST_N | Reset button | GPI038 | ||
| 14 | UART_TXD1 | PWM-CHO | GPI045 | ||
| 15 | CPURST_N | ||||
| 16 | WLED_N | GPI044 | |||
| 17 | LED4 | LJTAG-RST-N | GPI039 | ||
| 18 | LEDO | JTAG-TDO | GPI043 | ||
| 19 | LED3 | JTAG-CLK | GPI040 | ||
| 20 | LED2 | JTAG-S | GPI041 |